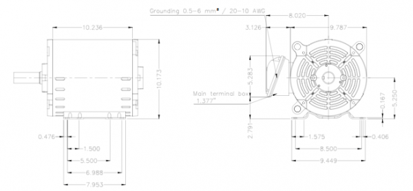
00718OT3E213T-S WEG Three-phase 7.5HP motor made of laminated steel, for general use in clean and dry environments, with minimal dirt and moisture.
|
Brand: |
WEG |
Application: |
General Purpose |
|
Output HP: |
7.5 |
Output KW: |
5.5 |
|
Output RPM: |
1770 |
Frame Size NEMA: |
213/5T |
|
Mount NEMA: |
With Base |
Enclosure NEMA: |
ODP |
|
Enclosure IEC: |
IP21 |
Voltage: |
230/460//190-220/380-415 |
|
Frequency (Hz): |
60//50 |
Efficiency: |
91.0 |
|
Inverter Rating: |
Inverter Ready |
CT Speed Range: |
5:1 |
|
VT Speed Range: |
1000:1 |
Shaft Grounded SGR: |
None |
|
Service Factor: |
1.15 |
Body Design: |
Rolled Steel |
|
Mount Arrangement: |
F1 |
Thermal Protection: |
None |












Reviews
There are no reviews yet.