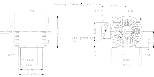
WEG ROLLED STEEL MOTOR